USO DEL KIT DIY PLACAMADRE ZX3, y aprender a adaptar tus placas de 128 pines Q128.

Aquí compartimos todo tipo recursos disponibles en Internet sobre las placas: Otros foros, blogs, wikis, videos en YouTube, grupos de Facebook, WhatsApp o Telegram, etc.

Moderador: antoniovillena

Avatar de Usuario
Subcritical
Spartan 3
Mensajes: 233
Registrado: 24 Ago 2018, 14:52

Re: USO DEL KIT DIY PLACAMADRE ZX3, y aprender a adaptar tus placas de 128 pines Q128.

Mensaje por Subcritical » 29 Sep 2023, 19:56

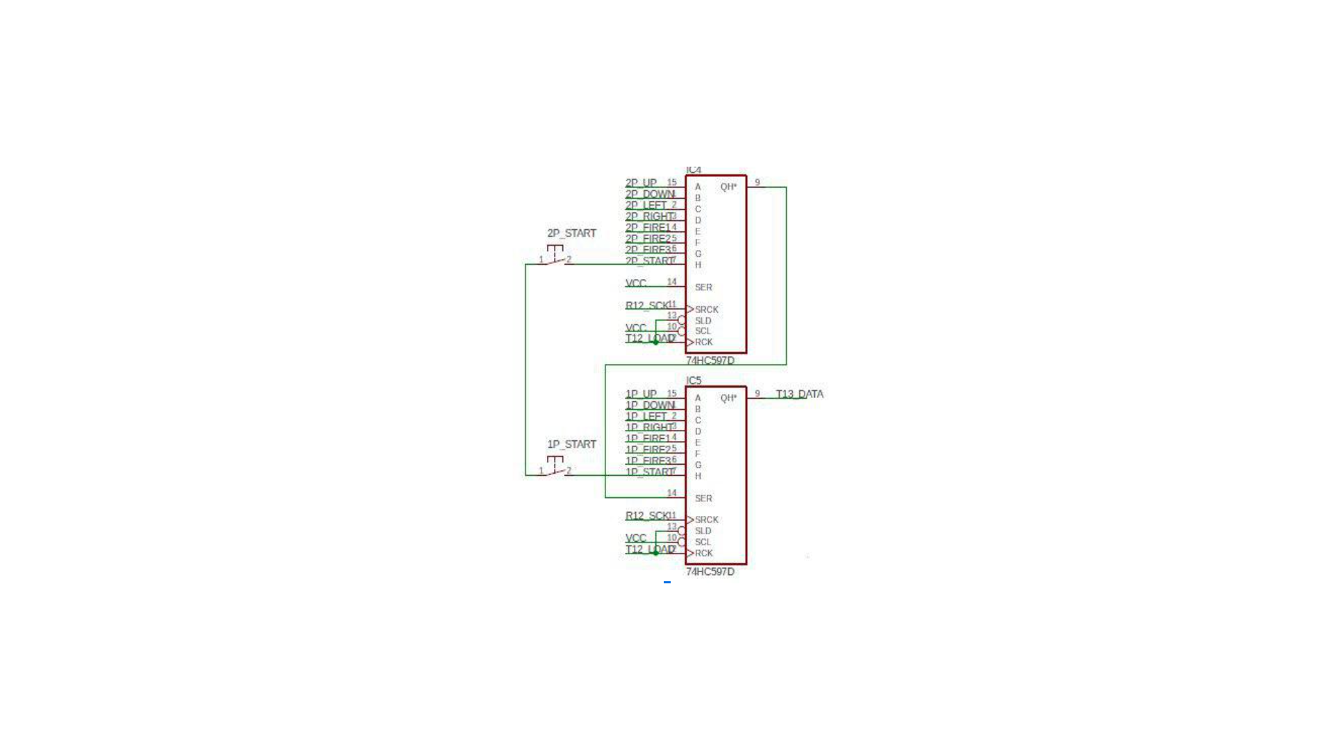
Retomamos el esquema del ZXDOS y la incorporación de dos 74HC597D

Y del test de NEPTUNO el código asociado al manejo de los JOYSTICKS DB9 con norma ATARI.
La versión actual para la placa madre del ZXTRES es una derivación de este esquema.

Y el código asociado a esta forma de manejar los joys tanto en NEPTUNO -> "Ya dije la palabra maldita, ¿O tal vez no?" como en ZXTRES:

https://github.com/neptuno-fpga/board_test

Señales en el módulo.

Código: Seleccionar todo

  output wire JOY_CLK,
  output wire JOY_LOAD,
  input  wire JOY_DATA,
  output wire joyP7_o,
Señales internas.

Código: Seleccionar todo

   wire joy1up;
   wire joy1down;
   wire joy1left;
   wire joy1right;
   wire joy1fire1;
   wire joy1fire2;
   wire joy1start;
   wire joy2up;
   wire joy2down;
   wire joy2left;
   wire joy2right;
   wire joy2fire1;
   wire joy2fire2;
   wire joy2start;
	
	//assign joyP7_o = 1'b1;
	
	wire [11:0] joy1_o;
	wire [11:0] joy2_o;
	wire clk_joy;
Llamadas en el cuerpo principal del módulo principal para el tratamiento de los mandos de juegos.

Código: Seleccionar todo

// Llamamos a la instancia de los Joysticks

	joydecoder los_joysticks (
      .clk(clk50mhz),
      .joy_data(JOY_DATA),
      .joy_clk(JOY_CLK),
      .joy_load_n(JOY_LOAD),
      .joy1up(joy1up),
      .joy1down(joy1down),
      .joy1left(joy1left),
      .joy1right(joy1right),
      .joy1fire1(joy1fire1),
      .joy1fire2(joy1fire2),
      .joy2up(joy2up),
      .joy2down(joy2down),
      .joy2left(joy2left),
      .joy2right(joy2right),
      .joy2fire1(joy2fire1),
      .joy2fire2(joy2fire2),
		.hsync(hsync)
   );
	// assign joyP7_o = 1'bz;

// PARA 6 BOTONES
// Llamamos a la maquina de estados para leer los 6 botones del mando de Megadrive
// Formato joy1_o [11:0] =  MXYZ SACB RLDU		
  sega_joystick joy (
	 .joy1_up_i		(joy1up),
    .joy1_down_i	(joy1down),
	 .joy1_left_i	(joy1left),
	 .joy1_right_i	(joy1right),
	 .joy1_p6_i		(joy1fire1),
	 .joy1_p9_i		(joy1fire2),
	 .joy2_up_i		(joy2up),
    .joy2_down_i	(joy2down),
	 .joy2_left_i	(joy2left),
	 .joy2_right_i	(joy2right),
	 .joy2_p6_i		(joy2fire1),
	 .joy2_p9_i		(joy2fire2),
	 .vga_hsync_n_s(hsync),
	 .joyX_p7_o		(joyP7_o),
	 .joy1_o			(joy1_o),
	 .joy2_o			(joy2_o)
 );
Módulo SEGA:

Código: Seleccionar todo

module sega_joystick
(
	
	input         joy1_up_i,
	input         joy1_down_i,
	input         joy1_left_i,
	input         joy1_right_i,
	input		     joy1_p6_i,
	input         joy1_p9_i,
	input         joy2_up_i,
	input         joy2_down_i,
	input         joy2_left_i,
	input         joy2_right_i,
	input         joy2_p6_i,
	input         joy2_p9_i,
	output        joyX_p7_o,  // -- send to Select pin 7 of the Megadrive Joystick
	input         vga_hsync_n_s,
	output wire [11:0] joy1_o, // -- MS ZYX CBA RLDU
	output wire [11:0] joy2_o  // -- MS ZYX CBA RLDU 
);
 
//----   Joystick read with sega 6 button support  ---------------------- 

   reg [11:0]joy1_s = 12'hFFF; 	
	reg [11:0]joy2_s = 12'hFFF; 
	reg joyP7_s;

	reg [7:0]state_v = 8'd0;
	reg j1_sixbutton_v = 1'b0;
	reg j2_sixbutton_v = 1'b0;
	
	always @(negedge vga_hsync_n_s) 
	begin
		

			state_v <= state_v + 1;

			
			case (state_v)			//-- joy_s format MXYZ SACB RLDU
				8'd0:  
					joyP7_s <=  1'b0;
					
				8'd1:
					joyP7_s <=  1'b1;

				8'd2:
					begin
						joy1_s[3:0] <= {joy1_right_i, joy1_left_i, joy1_down_i, joy1_up_i}; //-- R, L, D, U
						joy2_s[3:0] <= {joy2_right_i, joy2_left_i, joy2_down_i, joy2_up_i}; //-- R, L, D, U
						joy1_s[5:4] <= {joy1_p9_i, joy1_p6_i}; //-- C, B
						joy2_s[5:4] <= {joy2_p9_i, joy2_p6_i}; //-- C, B					
						joyP7_s <= 1'b0;
						j1_sixbutton_v <= 1'b0; //-- Assume it's not a six-button controller
						j2_sixbutton_v <= 1'b0; //-- Assume it's not a six-button controller
					end
					
				8'd3:
					begin
						if (joy1_right_i == 1'b0 && joy1_left_i == 1'b0) // it's a megadrive controller
								joy1_s[7:6] <= { joy1_p9_i , joy1_p6_i }; //-- Start, A
						else
								joy1_s[7:4] <= { 1'b1, 1'b1, joy1_p9_i, joy1_p6_i }; //-- read A/B as master System
							
						if (joy2_right_i == 1'b0 && joy2_left_i == 1'b0) // it's a megadrive controller
								joy2_s[7:6] <= { joy2_p9_i , joy2_p6_i }; //-- Start, A
						else
								joy2_s[7:4] <= { 1'b1, 1'b1, joy2_p9_i, joy2_p6_i }; //-- read A/B as master System

							
						joyP7_s <= 1'b1;
					end
					
				8'd4:  
					joyP7_s <= 1'b0;

				8'd5:
					begin
						if (joy1_right_i == 1'b0 && joy1_left_i == 1'b0 && joy1_down_i == 1'b0 && joy1_up_i == 1'b0 )
							j1_sixbutton_v <= 1'b1; // --it's a six button
						
						
						if (joy2_right_i == 1'b0 && joy2_left_i == 1'b0 && joy2_down_i == 1'b0 && joy2_up_i == 1'b0 )
							j2_sixbutton_v <= 1'b1; // --it's a six button
						
						
						joyP7_s <= 1'b1;
					end
					
				8'd6:
					begin
						if (j1_sixbutton_v == 1'b1)
							joy1_s[11:8] <= { joy1_right_i, joy1_left_i, joy1_down_i, joy1_up_i }; //-- Mode, X, Y e Z
						
						
						if (j2_sixbutton_v == 1'b1)
							joy2_s[11:8] <= { joy2_right_i, joy2_left_i, joy2_down_i, joy2_up_i }; //-- Mode, X, Y e Z
						
						
						joyP7_s <= 1'b0;
					end 
					
				default:
					joyP7_s <= 1'b1;
					
			endcase

	end
	
	assign joyX_p7_o = joyP7_s;
	assign joy1_o = joy1_s;
	assign joy2_o = joy2_s;


endmodule
Módulo decodificador, este es algo más sencillo de interpretar pensar que vienen todas las señales capturadas por los 74HC597D, e internamente empiezan a expandirse mediante código HDL.

Código: Seleccionar todo

module joydecoder (
  input wire clk,
  input wire joy_data,
  output wire joy_clk,
  output wire joy_load_n,
  output wire joy1up,
  output wire joy1down,
  output wire joy1left,
  output wire joy1right,
  output wire joy1fire1,
  output wire joy1fire2,
  output wire joy2up,
  output wire joy2down,
  output wire joy2left,
  output wire joy2right,
  output wire joy2fire1,
  output wire joy2fire2,
  input wire hsync
  );

  reg hsync_s;
  reg [7:0] clkdivider = 8'h00;
  assign joy_clk = clkdivider[1];
  always @(posedge clk) begin
    clkdivider <= clkdivider + 8'd1;
  end

  reg [15:0] joyswitches = 16'hFFFF;
  assign joy1up    = joyswitches[7];
  assign joy1down  = joyswitches[6];
  assign joy1left  = joyswitches[5];
  assign joy1right = joyswitches[4];
  assign joy1fire1 = joyswitches[3];
  assign joy1fire2 = joyswitches[2];
  assign joy2up    = joyswitches[15];
  assign joy2down  = joyswitches[14];
  assign joy2left  = joyswitches[13];
  assign joy2right = joyswitches[12];
  assign joy2fire1 = joyswitches[11];
  assign joy2fire2 = joyswitches[10];

  reg [3:0] state = 4'd0;
  assign joy_load_n = ~(state == 4'd0);

  always @(negedge joy_clk) begin
  /*hsync_s <= hsync;
  if (hsync_s ^ hsync) state <= 4'd0;
  else*/ state <= state + 4'd1;
    case (state)
      4'd0:  joyswitches[0]  <= joy_data;
      4'd1:  joyswitches[1]  <= joy_data;
      4'd2:  joyswitches[2]  <= joy_data;
      4'd3:  joyswitches[3]  <= joy_data;
      4'd4:  joyswitches[4]  <= joy_data;
      4'd5:  joyswitches[5]  <= joy_data;
      4'd6:  joyswitches[6]  <= joy_data;
      4'd7:  joyswitches[7]  <= joy_data;
      4'd8:  joyswitches[8]  <= joy_data;
      4'd9:  joyswitches[9]  <= joy_data;
      4'd10: joyswitches[10] <= joy_data;
      4'd11: joyswitches[11] <= joy_data;
      4'd12: joyswitches[12] <= joy_data;
      4'd13: joyswitches[13] <= joy_data;
      4'd14: joyswitches[14] <= joy_data;
      4'd15: joyswitches[15] <= joy_data;
    endcase
  end
endmodule
Dos_74HC597D_ZXDOS.png
Dos_74HC597D_ZXDOS.png (222.3 KiB) Visto 12655 veces

Avatar de Usuario
Subcritical
Spartan 3
Mensajes: 233
Registrado: 24 Ago 2018, 14:52

Re: USO DEL KIT DIY PLACAMADRE ZX3, y aprender a adaptar tus placas de 128 pines Q128.

Mensaje por Subcritical » 29 Sep 2023, 20:19

En cuanto a rebaling, hago un inciso, me he cargado alguna placa incluso una CYC1000, pero este hombre sólo ver como usa los pads de reparación y luz ultravioleta para fijar los pads en la superficie de la placa y volver a poner en marcha complicadas gráficas con chips enormes..... , uff que dificil me parece aún.

Buen vídeo de reballing -> Poner bien las bolas en su sitio.

phpBB [media]


Su canal se llama KrisFix-Germany y es muy bueno.

Avatar de Usuario
Subcritical
Spartan 3
Mensajes: 233
Registrado: 24 Ago 2018, 14:52

Re: USO DEL KIT DIY PLACAMADRE ZX3, y aprender a adaptar tus placas de 128 pines Q128.

Mensaje por Subcritical » 29 Sep 2023, 20:44

Hoy día 29 de Septiembre del 2023, salgo a la terraza a ver como atardece, la verdad que en esta dirección no se ven montañas pero a menos de 100m si las veo.

Puestas en Villabalter ayuntamiento de San Andrés del Rabanedo, León, ESPAÑA.
P1040126.JPG
P1040126.JPG (3.14 MiB) Visto 12644 veces

Responder

Volver a “Recursos en Internet”